صنایع
ربات
• ربات صنعتی
- مونتاژ دقیق
-حمل و نقل و مرتب سازی
-عملیات نقاشی
• ربات خدماتی
-ربات تمیز کننده
-ربات کمکی پزشکی
-ربات پذیرش
• ربات ویژه
-ربات کاوشگر زیر آب
-ربات سمپاش کشاورزی
محصولات مرتبط
×
| مشخصات الکتریکی | ||||||||||||||||||||||||||
| حداکثر پ (W) | ولتاژ (V) | حداکثر من (الف) | KV | جریان بدون بار (الف) | مقاومت (mΩ) | لهستانی ها | نور موتور (میلی متر) | استاتور دیم. (میلی متر) | نصب (میلی متر) | N.W. (g) | پشتیبانی (اینچ) | |||||||||||||||
| 1400 (6S) | 2S~6S | 55 (6S) | 1350 | 1.8 | 82 | 14 | φ33*19.6 | φ28*7 | M3-19*19 | 52 | 6 "~ 7" | |||||||||||||||
| داده های تست رانش | ||||||||||||||||||||||||||
| پروانه | مقدار KV | دریچه گاز | ولتاژ (V) | فعلی (الف) | نیروی رانش (g) | سرعت (RPM) | برق ورودی (W) | کارایی (g/W) | ||||||||||||||||||
| GF7037*3 | 1350 | 10% | 24.67 | 0.3 | 41 | 3149 | 6.49 | 6.28 | ||||||||||||||||||
| 20% | 24.67 | 1.1 | 166 | 6076 | 26.40 | 6.30 | ||||||||||||||||||||
| 30% | 24.65 | 2.74 | 375 | 8822 | 67.57 | 5.55 | ||||||||||||||||||||
| 40% | 24.64 | 5.23 | 628 | 11254 | 128.97 | 4.87 | ||||||||||||||||||||
| 50% | 24.61 | 8.18 | 866 | 13189 | 201.29 | 4.30 | ||||||||||||||||||||
| 60% | 24.57 | 12.66 | 1178 | 15327 | 311.03 | 3.79 | ||||||||||||||||||||
| 70% | 24.52 | 19.13 | 1570 | 17586 | 468.99 | 3.35 | ||||||||||||||||||||
| 80% | 24.47 | 26.52 | 1955 | 19595 | 648.99 | 3.01 | ||||||||||||||||||||
| 90% | 24.40 | 35.37 | 2367 | 21357 | 862.91 | 2.74 | ||||||||||||||||||||
| 100% | 24.31 | 45.81 | 2722 | 22783 | 1113.52 | 2.44 | ||||||||||||||||||||
| HQ7X37*3 | 1350 | 10% | 24.67 | 0.3 | 36 | 3171 | 6.24 | 5.80 | ||||||||||||||||||
| 20% | 24.67 | 1.0 | 153 | 6120 | 25.19 | 6.07 | ||||||||||||||||||||
| 30% | 24.67 | 2.63 | 352 | 8909 | 64.78 | 5.43 | ||||||||||||||||||||
| 40% | 24.65 | 5.11 | 607 | 11291 | 126.01 | 4.82 | ||||||||||||||||||||
| 50% | 24.63 | 8.05 | 846 | 13339 | 198.27 | 4.27 | ||||||||||||||||||||
| 60% | 24.59 | 12.61 | 1159 | 15420 | 309.96 | 3.74 | ||||||||||||||||||||
| 70% | 24.53 | 19.10 | 1529 | 17642 | 468.40 | 3.26 | ||||||||||||||||||||
| 80% | 24.48 | 26.90 | 1915 | 19605 | 658.61 | 2.91 | ||||||||||||||||||||
| 90% | 24.41 | 35.80 | 2274 | 21297 | 873.78 | 2.60 | ||||||||||||||||||||
| 100% | 24.32 | 46.19 | 2537 | 22602 | 1123.37 | 2.26 | ||||||||||||||||||||
LN2807 6S 1300KV 5S 1500KV 4S 1700KV Brushless MotorForRC FPV Racing RC Drone Racing
×
| مشخصات الکتریکی | |||||||||||||||||||||||||
| حداکثر پ (W) | ولتاژ (V) | حداکثر من (الف) | KV | جریان بدون بار (الف) | مقاومت (mΩ) | لهستانی ها | نور موتور (میلی متر) | استاتور دیم. (میلی متر) | نصب (میلی متر) | ن.W. (g) | پشتیبانی (اینچ) | ||||||||||||||
| 1052 | 25 ~ 33.6 | 45 | 350 | 1.5 | 45 | 14 | φ55*38 | φ47*15 | M3-30*30 | 277 | 13" | ||||||||||||||
| داده های تست رانش | |||||||||||||||||||||||||
| پروانه | مقدار kV | دریچه گاز (%) | U (V) | من (الف) | N (RPM) | نفخ (W) | سنجاق (W) | کارایی (G/W) | |||||||||||||||||
| GF1310*3 | 350 کیلوولت | 30 | 25.13 | 0.304 | 1737.5 | 285 | 7.6 | 4.959 | |||||||||||||||||
| 35 | 25.1 | 1.128 | 2188.7 | 346.9 | 28.3 | 4.644 | |||||||||||||||||||
| 40 | 25.07 | 2.15 | 2586.8 | 395.4 | 53.9 | 4.6 | |||||||||||||||||||
| 45 | 25.01 | 3.905 | 3072.1 | 444.1 | 97.7 | 4.814 | |||||||||||||||||||
| 50 | 24.96 | 5.722 | 3427.8 | 469.5 | 142.8 | 5.128 | |||||||||||||||||||
| 55 | 24.9 | 7.707 | 3734.9 | 484.3 | 191.9 | 5.495 | |||||||||||||||||||
| 60 | 24.82 | 10.228 | 4070.8 | 494.1 | 253.9 | 5.973 | |||||||||||||||||||
| 65 | 24.7 | 13.866 | 4458 | 491.4 | 342.5 | 6.798 | |||||||||||||||||||
| 70 | 24.59 | 17.485 | 4785.6 | 481.2 | 429.9 | 7.62 | |||||||||||||||||||
| 75 | 24.45 | 21.663 | 5093.5 | 460.1 | 529.7 | 8.72 | |||||||||||||||||||
| 80 | 24.3 | 26.413 | 5384.7 | 428.8 | 641.8 | 10.186 | |||||||||||||||||||
| 85 | 24.13 | 31.418 | 5661.1 | 393.6 | 758.3 | 11.977 | |||||||||||||||||||
| 90 | 23.96 | 36.765 | 5909.1 | 352.2 | 880.9 | 14.277 | |||||||||||||||||||
| 95 | 23.75 | 42.922 | 6131.1 | 300.8 | 1019.5 | 17.8 | |||||||||||||||||||
| 100 | 23.7 | 44.411 | 6217.5 | 292.6 | 1052.3 | 18.591 | |||||||||||||||||||
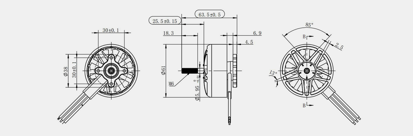
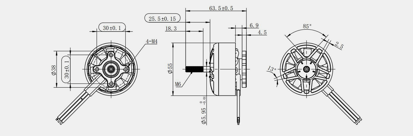
موتورهای پهپاد 6S 320kV 350kV 380kV LN4715 1.5kg نیروی رانش
×
موتور پهپاد بدون جاروبک با کارایی بالا LN5313 6S | 320 کیلو ولت / 350 کیلو ولت / 380 کیلو ولت | تا 2 کیلوگرم تراست برای پهپادها
| مشخصات الکتریکی | |||||||||||||||||||||||||
| حداکثر پ (W) | ولتاژ (V) | حداکثر من (الف) | KV | جریان بدون بار (الف) | مقاومت (mΩ) | لهستانی ها | نور موتور (میلی متر) | استاتور دیم. (میلی متر) | نصب (میلی متر) | N.W. (g) | پشتیبانی (اینچ) | ||||||||||||||
| 1810 | 25.2 ~ 33.6 | 65 | 380 | 0.8 | 25 | 14 | φ49*32.5 | φ42*14 | M4- 30*30 | 246 | 13 "~ 15" | ||||||||||||||
| داده های تست رانش | |||||||||||||||||||||||||
| پروانه | مقدار kV | دریچه گاز | ولتاژ (V) | فعلی (الف) | نیروی رانش (g) | سرعت (RPM) | برق ورودی (W) | کارایی (g/W) | |||||||||||||||||
| GF1308-3 | 380 | 10% | 32 | 0.36 | 38.95 | 1117 | 11.52 | 3.38 | |||||||||||||||||
| 20% | 31.99 | 1.11 | 217.75 | 2378 | 35.51 | 6.13 | |||||||||||||||||||
| 30% | 31.98 | 2.432 | 521.91 | 3578 | 77.78 | 6.71 | |||||||||||||||||||
| 40% | 31.97 | 4.498 | 917.14 | 4687 | 143.80 | 6.38 | |||||||||||||||||||
| 50% | 31.95 | 8.101 | 1468.01 | 5893 | 258.83 | 5.67 | |||||||||||||||||||
| 60% | 31.92 | 13.087 | 2113.34 | 6998 | 417.74 | 5.06 | |||||||||||||||||||
| 70% | 31.87 | 19.97 | 2891.65 | 8108 | 636.44 | 4.54 | |||||||||||||||||||
| 80% | 31.82 | 30.557 | 3884.21 | 9313 | 972.32 | 3.99 | |||||||||||||||||||
| 90% | 31.74 | 42.237 | 4809.52 | 10294 | 1340.60 | 3.59 | |||||||||||||||||||
| 100% | 31.63 | 56.802 | 5848.57 | 11283 | 1796.65 | 3.26 | |||||||||||||||||||
| HQ15X7-3 | 380 | 10% | 24.00 | 0.3 | 51 | 881 | 8.04 | 6.30 | |||||||||||||||||
| 20% | 23.99 | 1.1 | 232 | 1808 | 25.33 | 9.18 | |||||||||||||||||||
| 30% | 23.98 | 2.35 | 520 | 2676 | 56.31 | 9.23 | |||||||||||||||||||
| 40% | 23.96 | 4.38 | 894 | 3489 | 104.94 | 8.52 | |||||||||||||||||||
| 50% | 23.94 | 8.24 | 1433 | 4394 | 197.24 | 7.26 | |||||||||||||||||||
| 60% | 23.90 | 13.54 | 2056 | 5234 | 323.51 | 6.36 | |||||||||||||||||||
| 70% | 23.86 | 20.59 | 2782 | 6043 | 491.18 | 5.66 | |||||||||||||||||||
| 80% | 23.79 | 30.04 | 3627 | 6824 | 714.58 | 5.08 | |||||||||||||||||||
| 90% | 23.71 | 41.50 | 4504 | 7560 | 983.97 | 4.58 | |||||||||||||||||||
| 100% | 23.65 | 55.29 | 5422 | 8266 | 1307.54 | 4.15 | |||||||||||||||||||
موتور پهپاد بدون جاروبک با کارایی بالا LN5313 6S | 320 کیلو ولت / 350 کیلو ولت / 380 کیلو ولت | تا 2 کیلوگرم تراست برای پهپادها
موتور فن دستی شخصی پرسرعت 20000 RPM سری 7.2VDc wo22
×
ولتاژ دوگانه 230VAC/12VDC در یک درایو برای سیستم منبع تغذیه پانل خورشیدی منطقه از راه دور سری W70 با پوسته فلزی
ویژگی های محصول:
پشتیبانی از ولتاژ دوگانه برای منابع انرژی انعطاف پذیر
با یک پوسته فلزی بادوام برای محافظت بیشتر طراحی شده است
ایده آل برای سیستم های خورشیدی
عملکرد قابل اعتماد در مناطق دوردست
ولتاژ دوگانه 230VAC/12VDC در یک درایو برای سیستم منبع تغذیه پانل خورشیدی منطقه از راه دور سری W70 با پوسته فلزی
